회사소개
인사말
회사연혁
주요실적
기술인증현황
위치 및 연락처
엔지니어링서비스
GOVERNOR
F.O INJECTION PUMP
NOZZLE
자료실
기술자료
관련기사
관련사이트
고객센터
공지사항
고객게시판
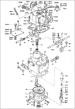
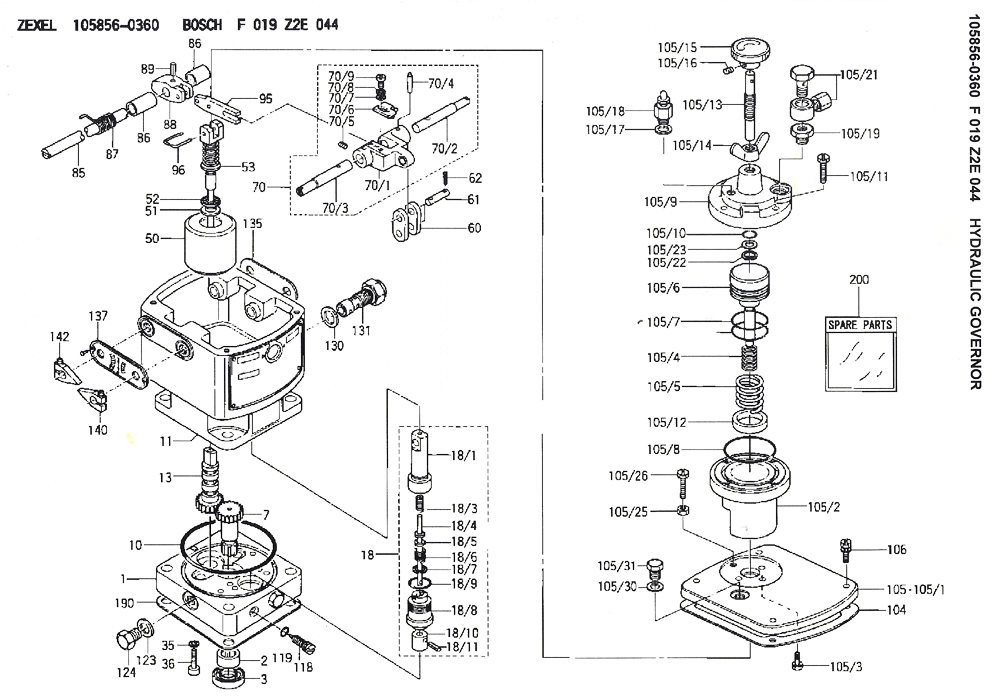
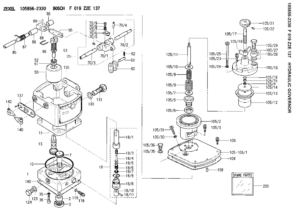
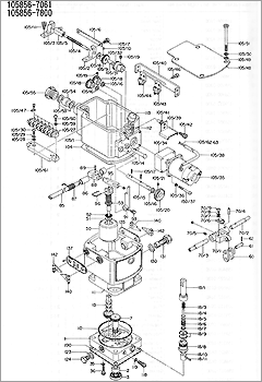
GOVERNOR
- WOODWARD
- ZEXEL
- HEINZMAN
- EUROPA
F.O INJECTION PUMP
- 집합식 PUMP
- 단독형 PUMP
- INJECTOR
NOZZLE
ZEXEL
HOME
> 엔지니어링서비스 > GOVERNOR >
ZEXEL
RHD-HC GOVERNOR
RHD-LC GOVERNOR
RHD-MC GOVERNOR
RHD-MCL GOVERNOR
RHD-PC GOVERNOR